
2026-04-30
Задвижки, как незаменимые ключевые компоненты в промышленных трубопроводных системах, используются для управления состоянием потока жидкости и регулирования его интенсивности. Их качество и характеристики напрямую влияют на безопасную и стабильную работу всей системы. Трехходовые фланцевые задвижки, благодаря своим специфическим размерам, широко используются в трубопроводах среднего и малого диаметра. Многонаправленная штамповка , как передовая технология точной пластической деформации, позволяет эффективно улучшить микроструктуру и свойства металлов, повысить эффективность использования материала и обеспечить получение заготовок сложной формы, близких к окончательной. Поэтому исследование процесса многонаправленной штамповки корпусов трехходовых фланцевых задвижек имеет важное теоретическое значение и практическую инженерную ценность.
В данной работе исследуется корпус трехходового фланцевого задвижного клапана, который традиционно изготавливается методом литья и штамповки. Литье имеет преимущества, заключающиеся в возможности изготовления сложных форм и высокой эффективности серийного производства, но оно подвержено дефектам, таким как пористость и песчаные отверстия. Традиционная ковка имеет такие проблемы, как низкий коэффициент использования материала, низкое внутреннее качество поковок и большие припуски на механическую обработку. Для получения изделия с высокими механическими свойствами, стабильным качеством и низкой себестоимостью обработки в данной работе исследуется процесс многонаправленной штамповки корпуса трехходового фланцевого задвижного клапана.
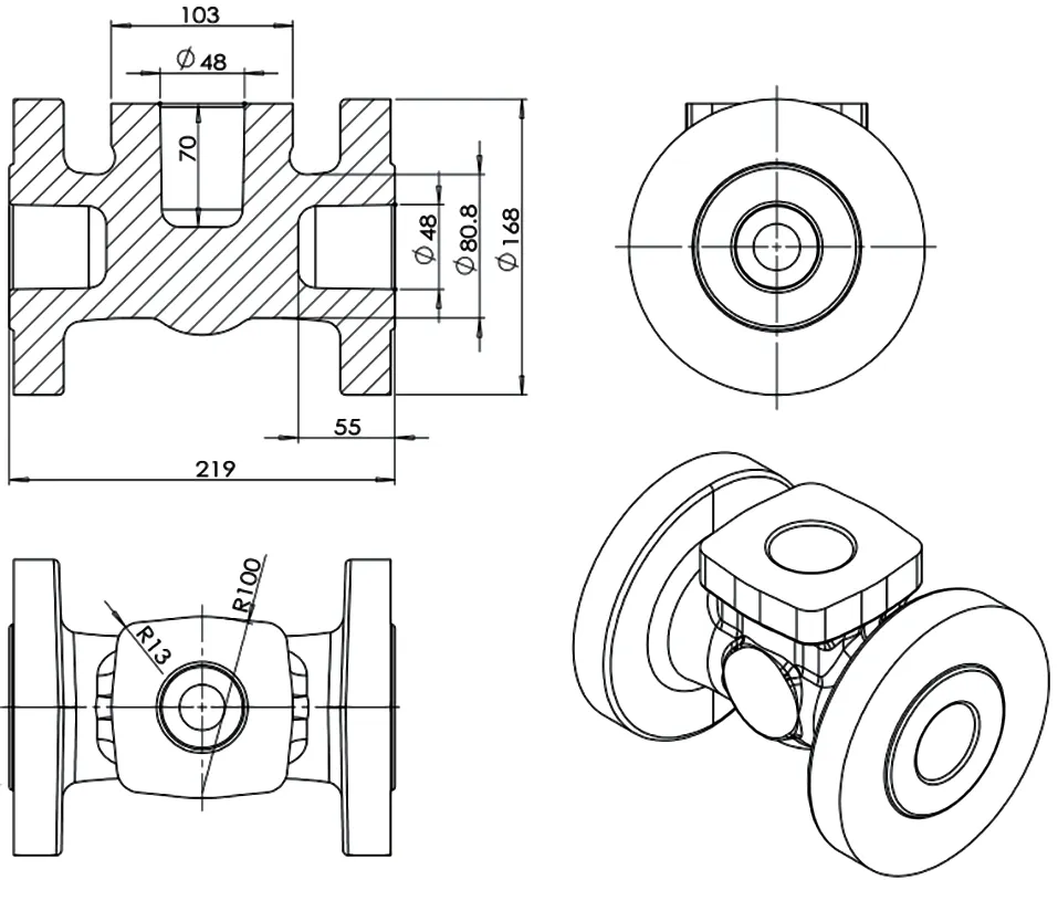
Кованый корпус клапана имеет трехходовой фланец с глухим отверстием посередине. Трехходовой фланец имеет большой наружный диаметр и меньшую толщину диска. Кроме того, наружный диаметр горизонтального фланца вдвое превышает наружный диаметр горизонтального фланца, как показано на рисунке 1.
Для упрощения процесса анализа при создании механической модели была упрощена структура пресс-формы. Она была разделена на восемь частей: верхняя часть пресс-формы, нижняя часть пресс-формы, главный пуансон, экструзионная матрица главного пуансона, левый пуансон, экструзионная матрица левого пуансона, правый пуансон и экструзионная матрица правого пуансона (рис. 2). Трехсторонняя экструзионная матрица и пуансон экструзионного формования представляют собой составные конструкции. Благодаря чередующимся и совместным движениям осуществляется многонаправленная штамповка.
Для моделирования процесса многонаправленной штамповки корпуса трехходового фланцевого задвижного клапана было выбрано программное обеспечение Deform-3D для конечно-элементного анализа.
(1) Параметры материала.
В данной работе для изготовления задвижек используется обычная углеродистая сталь A105, а также выбран аналогичный материал – углеродистая сталь марки 45#.
(2) Параметры процесса следующие.
① Настройка температуры заготовки: Начальная температура ковки заготовки устанавливается на уровне 1200℃ в соответствии с соответствующей литературой;
② Настройка скорости выталкивания пуансона: исходя из основных параметров оборудования, скорость экструзии левого и правого пуансонов, а также основного пуансона устанавливается на уровне 40 мм/с;
③ Настройка процесса перемещения: Верхняя матрица опускается вниз, сближаясь с нижней матрицей → левая и правая экструзионные матрицы и левый и правый пуансоны сжимаются внутрь до механического предела → левый и правый горизонтальные пуансоны выдавливают глухое отверстие в противоположных направлениях → основная экструзионная матрица и главный пуансон сжимаются внутрь вместе до механического предела → главный пуансон выдавливает материал и формирует форму.
④ Настройка коэффициента теплопередачи: Коэффициент теплопередачи между заготовкой и формой составляет 8 кВт/(м²·°C);
⑤ Модель трения: Для взаимодействия между заготовкой и матрицей выбирается модель сдвигового трения, коэффициент трения составляет 0,15.
Результаты моделирования позволяют наблюдать траекторию потока металла и распределение скорости во время многонаправленной ковки. Анализ картины потока металла позволяет определить, сможет ли поковка заполнить полость матрицы и возникнут ли дефекты, такие как заломы или неполное заполнение. Если обнаружены неравномерный поток металла или аномалии, их можно улучшить путем корректировки параметров процесса (например, путем изменения последовательности движения пуансонов и регулировки скорости ковки). На рисунке 3(а) показана нагретая заготовка, помещенная в полость матрицы; на рисунке 3(б) показано, как левый и правый пуансоны выдавливают и осаждают металл в противоположных направлениях; на рисунке 3(в) показано, как левый и правый пуансоны выдавливают металл в противоположных направлениях, образуя горизонтальное глухое отверстие посередине; на рисунке 3(г) показано, как главный пуансон выдавливает металл и одновременно осаждает его внутрь до заданного положения; на рисунке 3(е) показано, как главный пуансон выдавливает глухое отверстие внутрь, заполняя полость металлом; на рисунке 3(е) показана полностью сформированная поковка, полученная в результате моделирования.
Изменения температуры в процессе ковки оказывают существенное влияние на микроструктуру и свойства поковок. Результаты моделирования позволяют получить информацию о распределении температурного поля поковки и штампа в процессе ковки, а также проанализировать причины и закономерности изменений температуры. Обнаружение чрезмерно высоких или низких локальных температур может привести к таким проблемам, как перегрев, пригорание или затруднение деформации поковки. Температурное поле можно контролировать путем регулирования процесса ковки (например, путем контроля скорости ковки и усиления охлаждения штампа).
На рисунке 4(а) показан фланцевый конец поковки, сформированный левым и правым экструзионными матрицами и пуансонами. Температура поковки равномерно распределена и составляет около 1150℃. На рисунке 4(б) показан горизонтальный фланцевый конец после осадки. Левый и правый пуансоны экструдируют металлическую заготовку в противоположных направлениях, образуя горизонтальное глухое отверстие в поковке. Значение температурного поля в месте контакта глухого отверстия с горизонтальным пуансоном относительно низкое, около 1000℃. При контакте металла с пуансоном в этой точке происходит теплопередача, что приводит к снижению температуры. Температура на конце основного корпуса клапана, где происходит интенсивное течение металла, все еще выше 1100℃. На рисунке 4(с) представлен поперечный разрез температурного поля поковки после окончательной формовки. Самая высокая температура расположена вблизи переднего конца основного пуансона. Основная причина высокой температуры в этой точке — тепло, выделяемое в результате быстрого течения и деформации металла. Температура горизонтальных фланцев с обеих сторон относительно низкая, от 650 до 750℃. После завершения первой стадии деформации металл больше не участвует в процессе формования под действием потока, поэтому не оказывает влияния на окончательную обработку.
Суть моделирования нагрузок при ковке металла методом конечных элементов (МКЭ) заключается в получении точных кривых зависимости нагрузки от хода и одновременном выявлении потенциальных дефектов в ковке и напряженного состояния штампа, что обеспечивает прямые данные для оптимизации процесса и выбора оборудования. В ходе анализа процесса ковки методом МКЭ можно напрямую получать мгновенные и пиковые нагрузки на различных этапах ковки (осадка, вытяжка, штамповка и т. д.), а также строить динамические кривые изменения нагрузки в зависимости от хода ковки, что служит ключевой основой для определения тоннажа ковочного оборудования.
На рисунках 5(a) и 5(b) показаны кривые нагрузки формования левого и правого концов фланца. На рисунке 5(a) необходимо сложить нагрузку экструзионной матрицы горизонтального пуансона и нагрузку формования горизонтального пуансона, в результате чего общая горизонтальная нагрузка осадки составляет 10,4 МН. На рисунке 5(b) показана нагрузка формования левого и правого пуансонов, выдавливающих глухие отверстия, которая составляет приблизительно 0,887 МН. На рисунках 5(c) и 5(d) показаны кривые нагрузки формования экструзионной матрицы главного пуансона и главного пуансона. Нагрузка осадки в основном направлении при ковке также требует сложения нагрузки экструзионной матрицы главного пуансона и нагрузки формования главного пуансона, в результате чего нагрузка осадки в основном направлении для корпуса клапана составляет 0,528 МН. На рисунке 5(d) показана кривая нагрузки экструзии главного пуансона, которая составляет 2,13 МН. Окончательная кривая нагрузки закрытия матрицы, необходимой для формования, показана на рисунке 5(e) и составляет 29,6 МН.
Многонаправленные ковочные штампы в основном состоят из верхнего штампа, нижнего штампа, левого и правого горизонтальных пуансонов, левого и правого экструзионных штампов, главного пуансона, экструзионной матрицы главного пуансона и выталкивающего устройства. Верхний и нижний штампы используются для формирования основной формы поковки (рис. 6), трехсторонние боковые пуансоны и экструзионные штампы используются для формирования таких элементов, как боковые отверстия и фланцы на поковке, а выталкивающее устройство используется для извлечения поковки из штампа после завершения ковки.
Материал штампа должен обладать высокой твердостью, высокой прочностью, хорошей износостойкостью и устойчивостью к термической усталости. В данной ковке используется штамп H13, который отличается высокой термической прочностью и устойчивостью к термической усталости.
Для изготовления корпусов трехходовых фланцевых задвижек сложной формы методом ковки используется блочная структура, облегчающая обработку и обслуживание пресс-формы, а также комбинированный процесс пуансона и пресс-формы, как показано на рисунках 7 и 8.
На основе результатов анализа методом конечных элементов были проанализированы формовочная нагрузка оборудования и соответствующие действия пресс-формы. Были проведены горячие испытания на производственной линии гидравлического многонаправленного ковочного пресса мощностью 10 000 тонн, разработанной и изготовленной нашей компанией, в ходе которых успешно были изготовлены необходимые кованые детали корпусов клапанов. Изделия имели хорошее качество внешнего вида, без дефектов, таких как складки, трещины или вмятины. На образцах была проведена 100% ультразвуковая дефектоскопия, не выявившая внутренних трещин или других дефектов (рис. 9). На основании этого было проведено пробное производство первой партии из 200 изделий. Испытания показали, что процент годных изделий составил 100% (рис. 10).
В данной работе с помощью метода конечных элементов (МКЭ) детально исследуются закономерности течения металла, распределение температурного поля и нагрузки при формовке корпуса трехходового фланцевого задвижного клапана в процессе многонаправленной штамповой ковки. Это обеспечивает научную основу для оптимизации параметров процесса и конструкции штампа. Анализ моделирования подтверждает, что такие сложные поковки могут быть изготовлены на оборудовании для многонаправленной штамповой ковки за счет проектирования комбинированной конструкции штампа, различных технологических воздействий штампа и разумной настройки параметров процесса.